Реализованные проекты

Дорожная техника

Задача: Транспортировка техники из КНР в РФ.

Вид транспортировки: железнодорожная.

Объём перевозимого груза: 210 тонн.

Выполненные мероприятия:

  • Контроль готовности груза на заводе к отгрузке; Согласование места и порядка таможенного оформления груза на ст. назначения (РФ);
  • Планирование проекта;
  • Проведение мероприятий подготовки проекта;
  • Мероприятия по получению разрешений на движение груза ж.д. транспортом по территории стран: КНР, Казахстан, РФ;
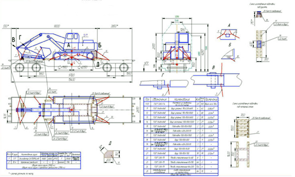
  • Разработка схем крепления груза (КНР);
  • Мероприятия с КЖД по получению разрешения на движение груза по маршруту;
  • Мероприятия с РЖД и Мин.ЖД Казахстана по разрешению движения груза по маршруту;
  • Разработка схем крепления груза (Казахстан);
  • Согласование схем, отправка ТЛГ;
  • Погрузка груза и его крепление на ж/д ст. отправления;
  • Экспедирование груза до границы КНР/Казахстан;
  • Проведение таможенного оформления груза на Экспорт;
  • Передача груза на территорию Казахстана;
  • Проведение мероприятий по выделению и подаче подвижного состава РФ на площадку ПРР (Казахстан);
  • Погрузочно-разгрузочные работы;
  • Крепление груза на подвижном составе РФ;
  • Оформление необходимых документов транзита груза;
  • Экспедирование груза до границы Казахстан/РФ ;
  • Экспедирование груза по территории РФ.
  • Перемещение груза в зону таможенного контроля;
  • Проведение (сопровождение) таможенного оформления груза;
  • Передача груза получателю;
  • Подведение итогов транспортного проекта с Заказчиком, предоставление отчетных документов (финансовых, экспедиторских).
Разрабатываемые документы

Маршрут

  • КНР
  • Алашанькоу / Достык
  • РФ

Фотографии

image description
05
image description
05
image description
05
image description
05
image description
05